
Связаться с нами
Адреса:
125373 г. Москва, Походный пр-д, д. 14, бизнес-центр «GS ТУШИНО»
125464 г. Москва, ул. Митинская, д.12
Прием заявок и консультации:
Ваша Заявка
Купите необходимый Вам товар. Для этого перейдите на страницу с его описанием и нажмите кнопку
"Добавить товар в заявку".
В настоящее время ООО «РАСКО Газэлектроника», являясь ведущим производителем контрольно-измерительных приборов, предлагает полный спектр газоизмерительного оборудования для коммерческого и технологического учета количества газа.
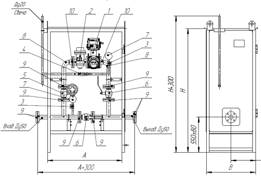
Для простоты и удобства проектирования ООО «РАСКО Газэлектроника» подготовило "Альбом типовых технических решений на шкафные пункты учета газа ПУГ-Ш DN50–DN200 с измерительными комплексами СГ-ЭК на базе ротационных счетчиков газа РГ-Р". >> Скачать альбом >>
Альбом включает каталог технических решений в формате .PDF и чертежи в формате .CDW (САПР КОМПАС 3D).
Напоминаем, что наша компания ООО «НПФ «РАСКО» является единственным участником и Генеральным дилером данного ведущего российского производителя приборов учета газа ООО «РАСКО Газэлектроника».
По всем вопросам заказа продукции завода ООО «РАСКО Газэлектроника» Вы можете обращаться в отдел «Измерительной техники» нашей компании по тел:
+7 (495) 970-16-83; +7 (499) 959-16-83 (многоканальные), доб. 122, 123, 117, 125.
